Air Seam Phantom IPC Chart
(View Electric IPC Here)
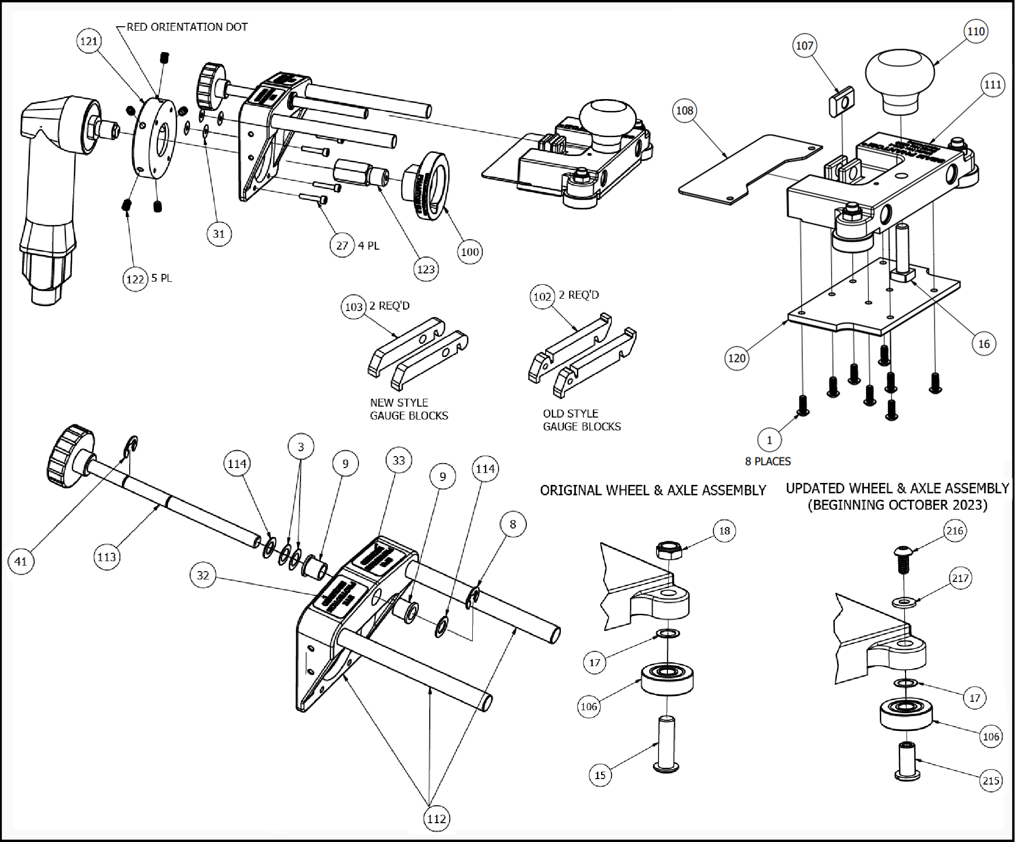
[su_table]| NO. | Description | Link to Store | Notes |
| 1 | Screw | SCREW1 | Fits Rub Plate and Valve Bracket (on Electric Version) – Sold in pack of 10 |
| 3 | Shim Washer | CLIP or SUPGR | See Note 1 Below |
| 8 | E-Clip | CLIP or SUPGR | See Note 1 Below |
| 9 | Bushing | CLIP | See Note 2 Below |
| 15 | Wheel Axle (HI-LOK) | SEE GWAF-1 | No longer available – Replaced by #215. Sold in kit GWAF-1 |
| 16 | Bolt | BOLT16 | Sold Individually |
| 17 | Bearing Shim | GWAF-1 | Sold as a kit with (1) #215 Wheel Axle, (1) #17 Bearing Shim, (1) #216 Screw, (1) #217 Washer **Kit GWAF-1 replaces GWAF for all Seam Phantoms** |
| 18 | Lock Nut | SEE GWAF-1 | No longer available – Replaced by #216 & #217. Sold in kit GWAF-1 |
| 27 | Screw – Metric | SCREWKIT27 | Sold as a kit with (4) #27 Screws & (4) #31 Shim Washers |
| 31 | Shim Washer | SCREWKIT27 | Sold as a kit with (4) #27 Screws & (4) #31 Shim Washers |
| 32 | Placard – Eye Protection | PLACARDKIT | Sold as a kit with (1) #32 and (1) #33 |
| 33 | Placard – GFCI Protection | PLACARDKIT | Sold as a kit with (1) #32 and (1) #33 |
| 41 | E-Clip – Heavy Duty | CLIP or SUPGR | See Note 1 Below |
| 100 | SL3 Adapter 5/8-11 Thread | SL3-ADAPT | Sold Individually |
| 100 | SL3 Adapter 14mm Thread | SL3-ADM14 | Sold Individually |
| 102 | Gauge Blocks – Old Style | Call | Call For Availability |
| 103 | Gauge Blocks – New Style | G-Blocks | Sold in Pairs |
| 106 | Wheel Assembly | GWA | Sold Individually |
| 107 | Nut – Brass | ADJNUT | Sold Individually |
| 108 | Grit Shield | SHIELD108 | Wide version, universal replacement – sold individually |
| 110 | Grip Knob | KNOB | Universal replacement – sold individually |
| 111 | Sliding Guide Assembly | Call | Not sold separately – Call for options |
| 112 | Base Assembly | Call | Not sold separately – Call for options |
| 113 | Adjustment Screw Assembly | SUPGR | See Note 4 Below |
| 114 | Washer | CLIP or SUPGR | See Note 1 Below |
| 120 | Rub Plate – Air | WRPA | Sold Individually |
| 121 | Air Polisher Adapter | AIRADAPT | Universal replacement – Sold individually, includes (5) #122 set screws |
| 122 | Set Screws | SCREW122 | Sold in pack of 5 – See note 5 below |
| 123 | Arbor Extensions 5/8-11 Thread | ARBOREXT | Sold Individually |
| 123 | Arbor Extensions M14 Thread | AEXTM14 | Sold Individually |
| 215 | Wheel Axle – Brass | GWAF-1 | Sold as a kit with (1) #215 Wheel Axle, (1) #17 Bearing Shim, (1) #216 Screw, (1) #217 Washer **Kit GWAF-1 replaces GWAF for all Seam Phantoms** |
| 216 | Screw- Wheel Axle | GWAF-1 | Sold as a kit with (1) #215 Wheel Axle, (1) #17 Bearing Shim, (1) #216 Screw, (1) #217 Washer **Kit GWAF-1 replaces GWAF for all Seam Phantoms** |
| 217 | Washer – Wheel Axle | GWAF-1 | Sold as a kit with (1) #215 Wheel Axle, (1) #17 Bearing Shim, (1) #216 Screw, (1) #217 Washer **Kit GWAF-1 replaces GWAF for all Seam Phantoms** |
Notes
-
Can be purchased as part of the clip, washer & bushing kit (link – clip) or as part of the adjustment screw replacement kit (link – supgr)
-
Can be purchased as part of the clip, washer & bushing kit (link – clip)
-
Not used
-
Can be purchased as part of the adjustment screw replacement kit (Link – Supgr)
-
#122 set screw fits #121 air polisher adapter (red orientation dot on top). Previous air adapters (white orientation dot on top) used a smaller set screw. Call for availability of the smaller screw.
