Web Store
Shop
My Account
Checkout
Cart
Distributors
Tools
Seam Phantom® 2.0
Ultra Guide
Sink BULL™ LT
Top Polish Kit
SL3® Quick Change System
Rapid Z™
Twist SHIM™
Templates and Hand Tools
Original Seam Phantom® (Historical Info)
Resources
Seam Phantom 2.0® Resources
Sink BULL™ Resources
Top Polish Kit Resources
Rapid Z™ Resources
SL3® Quick Change System Resources
Twist SHIM™ Resources
Original Seam Phantom® Resources (Historical Info)
Distributors
About Us
Your Cart
0
No products in the cart.
Search for:
Search for:
Web Store
Shop
My Account
Checkout
Cart
Distributors
Tools
Seam Phantom® 2.0
Ultra Guide
Sink BULL™ LT
Top Polish Kit
SL3® Quick Change System
Rapid Z™
Twist SHIM™
Templates and Hand Tools
Original Seam Phantom® (Historical Info)
Resources
Seam Phantom 2.0® Resources
Sink BULL™ Resources
Top Polish Kit Resources
Rapid Z™ Resources
SL3® Quick Change System Resources
Twist SHIM™ Resources
Original Seam Phantom® Resources (Historical Info)
Distributors
About Us
Your Cart
0
No products in the cart.
Search for:
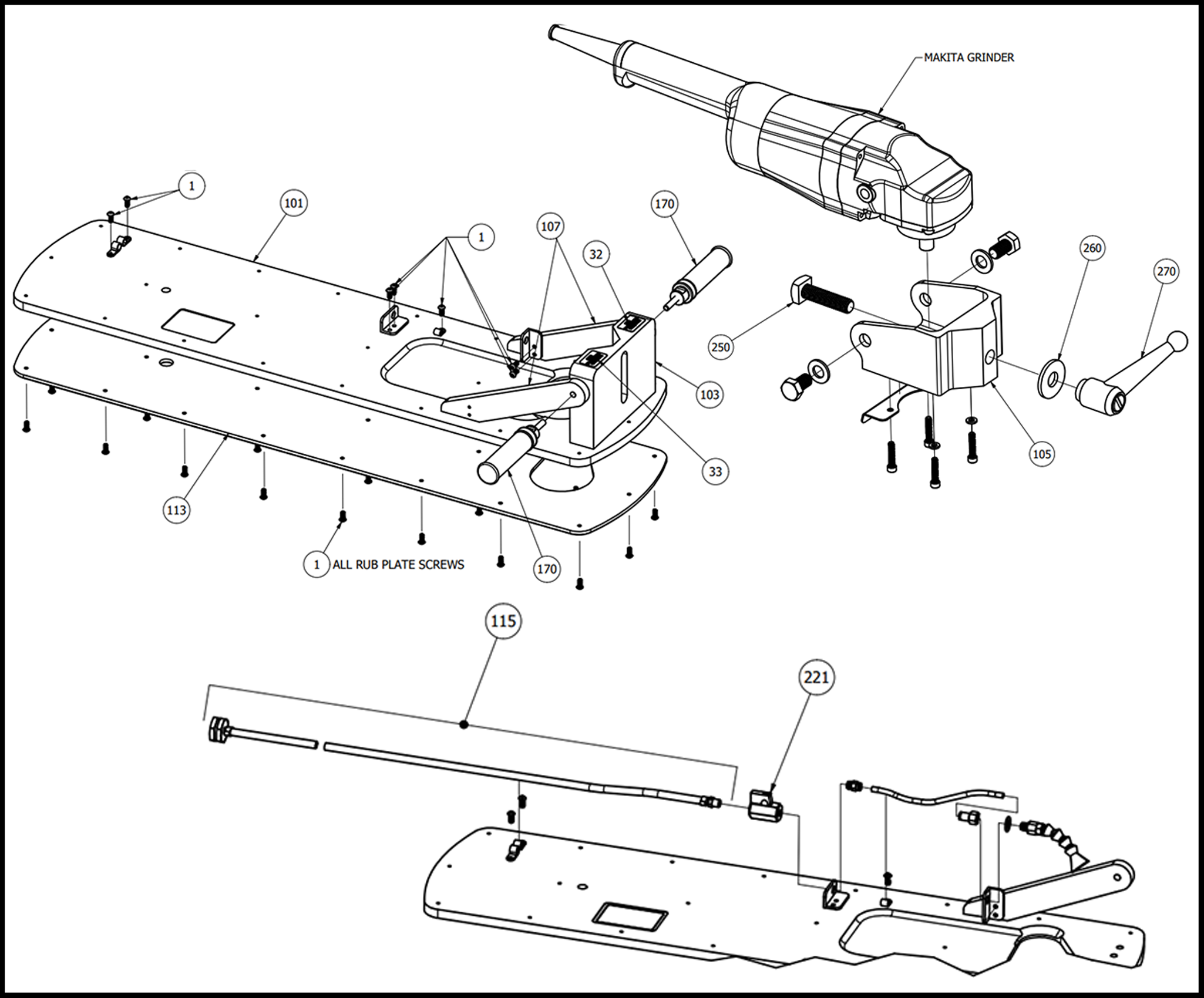
Original Sink BULL Parts IPC
Sink BULL LT Parts IPC
Instruction Manuals
Sink BULL™ LT Instruction Manual - ENGLISH
ORIGINAL Sink BULL™ Instruction Manual - ENGLISH
FAQ's
FAQ's
Instructional Videos
NEW Sink BULL™ LT Introduction
ORIGINAL Sink BULL™ and Rapid Z™ Introduction
11 Minute Sink Grind
Unboxing and Assembling Your NEW Sink BULL™ LT
How to Assemble Your ORIGINAL Sink BULL™
Fast & Easy Corner Radius
Sink BULL™ - How it's Made
Sink BULL™ Highlights
Back to Sink BULL™ Page
Click Here